TestTool是用于测试芯睿视产品的测试工具,该软件可以快速的检索统一网络中开启的芯睿视所有产品,并为用户提供一个直观简洁的设备测试解决方案;芯睿视是一家数字化的高科技企业,旗下的产品也非常丰富,拥有如摄像头,考勤机,门禁设备等等产品;而TestTool就是用来测试这些产品的软件,在使用这些产品的时候,应该每隔一段时间就对产品进行维护检查,通过这款工具,用户可以很轻松的检查设备的相关功能是否可以正常使用,帮助用户快速查找设备的异常点,让设备维护人员可以针对性的进行维修调整。

1、通过该工具可以自动探测并扫描局域网内的所有设备。
2、找到对应的检测项目,一键就可以检测图像是否正常。
3、用户可以使用它检测设备的远程配置功能是否正常。
4、检测设备的IR-CUT接口和SD卡接口是否正常工作。
5、还可以使用它检测语音对讲功能是否可以正常对讲。
6、支持一键打印标签,统一规划IP,IP自适应,打印设置。
7、支持用户设置音频开关,图像翻转,批量修改IP。
8、支持用户可将检测的报告通过打印机快速的打印出来。
1、软件简单好用,轻松查找设备,并可以将分屏查看所有设备。
2、一键就可以对设备进行快速的检测,查看设备是否正常。
3、如果设备出现异常问题之后,可以使用这款工具进行检测。
4、大部分的功能都不需要用户进行配置,一键就可以轻松检测。
5、直观的将检测报告展示出来,可以将检测报告打印出来保存。
6、该工具对于相关的设备维护人员的作用是很大的,可以提升用户的维护效率。
7、可以很轻松的找到设备出现异常的问题出在哪儿,方便设备维护人员维修。
1、解压软件之后启动软件打开即可使用。

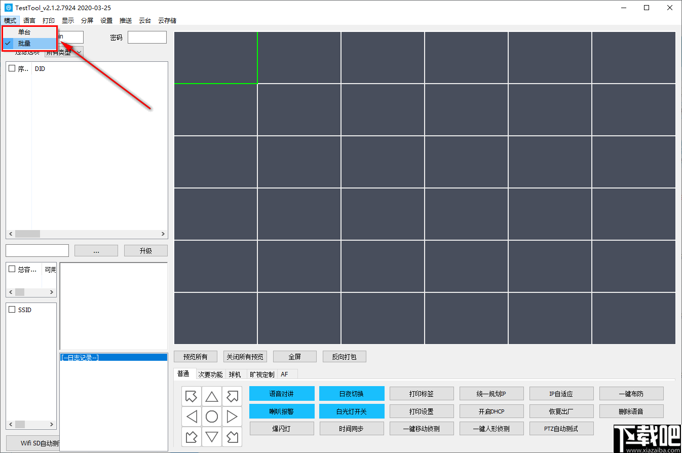
2、进入软件中选择测试的模式,可以选择单台设备测试和批量设备测试。

3、选择完模式之后,输入用户名,密码以及过滤选项查找所有设备。

4、您可以进行预览所有,关闭所有预览,全屏和反向打包等功能。

5、选中需要测试的设备,根据需要的测试的选项单击对应的按钮进行测试。

6、主测试台提供的是常规的测试选项,您也可以切换到次要功能,球机,旷视定制和AF测试选项中进行测试。

7、单击左下角的按钮即可一键进行wifi SD自动测试。

8、您可以在现实菜单中,根据自己的需要配置功能在界面中的显示,不需要显示的功能直接去掉勾选。

9、您可以根据设备的数量设置分屏数量,最多支持36屏的分屏效果。

10、可以设置菜单中选择开启或者关闭提示音,固化后恢复出厂设置,自动出图等。

11、您还可以在推送功能下开启报输入移动检测,人形检测以及人脸检测等。

12、您可以单击“云存储”使用账号以及密码登录服务器使用。

PDF Shaper(PDF工具集合)
7.68 MB/2020-08-17如今对PDF处理的软件很多都是只是单一的功能。PDF Shaper给你完全不同的体验,因为PDF Shaper是一款免费的PDF工具集合的软件。有了PDF Shaper,你以后再也不用下载其他处理PDF的软件了。PDF Shaper的功能有:合并,分割,加密和解密 PDF,图像转换为 PDF,PDF 转换为 RTF 或 图像,从 PDF 中提取文本和图像。
LedshowTW
25.66 MB/2020-08-17LedshowTW(led图文编辑软件)是一个专业的LED屏幕图文编辑软件,它提供了多种节目管理和各种炫彩动画和魔幻边框,支持BX-5QL全彩条形控制器,有效的提升U盘的兼容和容错
简单写作
4.81 MB/2020-08-17简单写作是一款由领凡网络所开发制作的免费小说写作软件,能够让作者更舒适、快捷、安全的进行创作之旅。它集中了小说大纲、随机取名、资料库、敏感词过滤等;各种功能于一体的,专门面向网络写
Wand豌豆编辑器
20.81 MB/2020-08-17Wand豌豆编辑器是一个简单易用、高效便捷、功能强大的电子书制作软件,专注于高效率高品质的EPUB制作,通过简单易用的功能,可扩展的在线模板及效果库,能够帮助您快速创建出专业质量的
java环境变量一键配置
14 KB/2020-08-17Java环境变量一键配置是一款可以帮助用户轻松配置java环境变量的小工具,当java环境被破坏时,重新配置非常麻烦,而这款软件就可以帮助用户轻松解决这个难题。
Garmin Express
40.76 MB/2020-08-17GarminExpress是可以帮助您管理Garmin设备的软件。你可以将Garmin设备中的活动资料上传至GarminConnect,GarminExpress是您管理您
蓝光软件工厂
4 MB/2020-08-17蓝光软件工厂官方版是一款软件下载工具,可以有效解决电脑技术员装机烦恼,选择喜欢的软件可以一键生成静默安装包,软件包括百度系列,360系列等常用装机软件。安装包可以存放到u盘,硬盘或网盘,重装系统后方便完成软件安装。蓝光软件工厂官方版更新日志:V2.2.8.18:全新的界面设计;快速制作装机必备或封盘包到U盘,随时随地赚取蓝光币;制作装机速度提高2倍以上。
USBDeview
76 KB/2020-08-17USBDeview是一款可以列出当前连接到你的计算机上或者曾经连接到你的计算机上的所有USB设备的小型实用工具。根据列出的设备的名称和描述,该软件显示了串口号(如果提供)..
Some PDF to Txt Converter
手机号码归属地查询
SX百宝箱
SmartSyn
Mypoco2008
PDF转换器
Typora
鼠标键盘记录器
WinMend Folder Hidden
够力七星彩排列五奖表安装2015
kk欢乐斗地主最新版
够力七星彩排列五奖表下载安装安卓版
767娱乐
天天彩澳门天天彩
新澳门2025
够力七星彩奖表
49tk图库app下载安装恢复
双色球预测大师
您可能感兴趣的专题
男生必备
男生们看过来!
安卓装机必备
女生必备
女生必备app是拥有众多女性用户的手机软件,作为一个女生,生活中像淘宝、京东这类线上购物软件可以说是少不了的,小红书这种穿搭、化妆分享平台也很受欢迎,类似于西柚大姨妈、美柚这种专为女生打造的生理期app更是手机必备,还有大家用的最多拍照美颜app是绝对不能忘记的,除此之外对于一些追星女孩来说,微博也是一个必不可少的软件。超多女生必备软件尽在下载吧!
迅雷看看使用教程
迅雷看看播放器是一款多功能在线高清多媒体视频播放器,支持本地播放与在线视频点播,采用P2P点对点传输技术,可以在线流畅观看高清晰电影。不仅如此,迅雷看看不断完善用户交互和在线产品体验,让您的工作与生活充满乐趣。
驱动精灵
驱动精灵是一款集驱动管理和硬件检测于一体的、专业级的驱动管理和维护工具。驱动精灵为用户提供驱动备份、恢复、安装、删除、在线更新等实用功能,也是大家日常生活中经常用到的实用型软件之一了。
拼音输入法
对于电脑文字输入,拼音输入法是一种非常受欢迎的输入法,搜狗拼音输入法、百度拼音输入法、QQ拼音输入法、谷歌拼音输入法、紫光拼音输入法、智能拼音输入法等,你在用哪款呢?一款好用适合自己的拼音输入法一定对您平时帮助很大!下载吧收集了最热门国人最喜欢用的拼音输入法给大家。
b站哔哩哔哩怎么使用
很多人都喜欢在b站哔哩哔哩上观看视频,不单是因为可以提前看到一些视频资源,B站的一些弹幕、评论的玩法也是被网友们玩坏了!下面下载吧小编带来了b站哔哩哔哩怎么使用的教程合集!希望能帮到你啦!
抖音短视频app
抖音短视频app,这里汇聚全球潮流音乐,搭配舞蹈、表演等内容形式,还有超多原创特效、滤镜、场景切换帮你一秒变大片,为你打造刷爆朋友圈的魔性短视频。脑洞有多大,舞台就有多大!好玩的人都在这儿!